
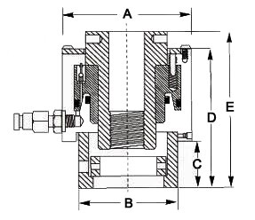
型号 | 螺纹范围 | 最大拉力 (KN) | 外形尺寸(mm) | 行程 (mm) | ||||||||
M | Inch | A | B | C | D | E | ||||||
THL20 | M20 | 7/8″ | 200 | 65 | 52 | 19 | 39 | 94 | 10 | |||
THL24 | M24 | 1″ | 290 | 78 | 60 | 22 | 46 | 102 | 10 | |||
THL27 | M27 | 1-1/8″ | 380 | 86 | 67 | 25 | 52 | 108 | 10 | |||
THL30 | M30 | 1-1/8″ | 460 | 97 | 74 | 27 | 57 | 106 | 15 | |||
THL33 | M33 | 1-1/4″ | 570 | 107 | 81 | 29 | 62 | 114 | 15 | |||
THL36 | M36 | 1-3/8″ | 670 | 117 | 90 | 32 | 68 | 118 | 15 | |||
THL39 | M39 | 1-1/2″ | 800 | 127 | 96 | 34 | 73 | 125 | 15 | |||
THL42 | M42 | 1-5/8″ | 920 | 137 | 102 | 37 | 79 | 134 | 15 | |||
THL45 | M45 | 1-3/4″ | 1080 | 148 | 110 | 39 | 84 | 135 | 15 | |||
THL48 | M48 | 1-7/8″ | 1220 | 158 | 116 | 42 | 90 | 140 | 15 | |||
THL52 | M52 | 2″ | 1450 | 169 | 128 | 46 | 98 | 151 | 15 | |||
THL56 | M56 | 2-1/4″ | 1680 | 176 | 135 | 49 | 105 | 158 | 15 | |||
THL60 | M60 | 2-3/8″ | 2010 | 199 | 142 | 52 | 112 | 167 | 15 | |||
THL64 | M64 | 2-1/2″ | 2210 | 211 | 151 | 55 | 119 | 172 | 15 | |||
THL68 | M68 | 2-3/4″ | 2600 | 228 | 155 | 58 | 126 | 180 | 15 | |||
THL72 | M72 | 2-7/8″ | 2880 | 238 | 168 | 62 | 134 | 186 | 15 | |||
THL80 | M80 | 3-1/4″ | 3610 | 267 | 188 | 68 | 148 | 202 | 15 | |||
THL90 | M90 | 3-1/2″ | 4650 | 300 | 210 | 77 | 167 | 220 | 15 | |||
THL100 | M100 | 4″ | 5830 | 340 | 237 | 85 | 185 | 240 | 15 | |||
|
|
| 液压拉伸器适配动力源,OEMING(奥铭)为您提供电动液压泵、气动液压泵、手动液压泵,更多详情,请与OEMING工程师联系。 | |||||||||
WTP230 | SMP200-4 | SHP1501 | ||||||||||






