
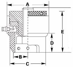
型号 | 螺纹范围 | 最大拉力 (KN) | 外形尺寸(mm) | 行程 (mm) | ||||||||
M | Inch | A | B | C | D | E | ||||||
FHL16 | M16 | 5/8″ | 126 | 52 | 37 | 41 | 16 | 72 | 10 | |||
FHL18 | M18 | 3/4″ | 172 | 62 | 40 | 46 | 18 | 76 | 10 | |||
FHL20 | M20 | 3/4″ | 208 | 66 | 42 | 51 | 19 | 78 | 10 | |||
FHL22 | M22 | 7/8″ | 264 | 72 | 45 | 51 | 20 | 86 | 10 | |||
FHL24 | M24 | 1″ | 327 | 78 | 49 | 59 | 22 | 88 | 10 | |||
FHL27 | M27 | 1-1/8″ | 448 | 88 | 55 | 65 | 25 | 93 | 10 | |||
FHL30 | M30 | 1-1/8″ | 448 | 98 | 61 | 72 | 27 | 93 | 15 | |||
FHL33 | M33 | 1-1/4″ | 679 | 108 | 66 | 76 | 29 | 103 | 15 | |||
FHL36 | M36 | 1-3/8″ | 810 | 118 | 71 | 80 | 32 | 108 | 15 | |||
FHL39 | M39 | 1-1/2″ | 810 | 118 | 77 | 89 | 34 | 112 | 15 | |||
FHL42 | M42 | 1-5/8″ | 917 | 126 | 83 | 91 | 37 | 114 | 15 | |||
FHL45 | M45 | 1-3/4″ | 952 | 130 | 89 | 94 | 39 | 118 | 15 | |||
FHL48 | M48 | 1-7/8″ | 1151 | 142 | 94 | 102 | 42 | 122 | 15 | |||
FHL52 | M52 | 2″ | 1277 | 148 | 102 | 110 | 46 | 124 | 15 | |||
FHL56 | M56 | 2-1/4″ | 1455 | 160 | 106 | 119 | 49 | 138 | 15 | |||
FHL60 | M60 | 2-3/8″ | 1455 | 160 | 114 | 131 | 52 | 142 | 15 | |||
FHL64 | M64 | 2-1/2″ | 1794 | 178 | 120 | 131 | 55 | 151 | 15 | |||
FHL68 | M68 | 2-3/4″ | 1794 | 178 | 124 | 146 | 58 | 159 | 15 | |||
FHL72 | M72 | 2-7/8″ | 2116 | 192 | 130 | 146 | 62 | 173 | 15 | |||
FHL76 | M76 | 3″ | 2579 | 215 | 135 | 161 | 65 | 177 | 15 | |||
FHL80 | M80 | 3-1/4″ | 2579 | 215 | 142 | 161 | 68 | 197 | 15 | |||
FHL85 | M85 | 3-3/8″ | 2963 | 230 | 150 | 175 | 72 | 202 | 15 | |||
FHL90 | M90 | 3-1/2″ | 3506 | 250 | 160 | 177 | 77 | 218 | 15 | |||
FHL95 | M95 | 3-3/4″ | 3951 | 265 | 170 | 202 | 80 | 225 | 15 | |||
FHL100 | M100 | 4″ | 4573 | 285 | 178 | 212 | 85 | 225 | 15 | |||
|
|
| 液压拉伸器适配动力源,OEMING(奥铭)为您提供电动液压泵、气动液压泵、手动液压泵,更多详情,请与OEMING工程师联系。 | |||||||||
WTP230 | SMP200-4 | SHP1501 | ||||||||||






